订阅电子报,掌握最新科技与产业趋势
2019/08/29
成功案例:Silicon Labs隔离器产品助力富特科技实现更大安全性及稳定性
近两年在半导体领域,一个特别的亮点就是汽车电子市场。参观众多的IC大展后,会发现无一不是以“新能源汽车”为主题,而另一边正在经历寒冬的传统车市,新能源汽车也同样是业中翘楚。这样的行业热度自然也带来了其零部件市场规模的扩大,比如,新能源汽车必不可少的核心零部件——车载充电机就迎来了市场的快速增长和扩大。今天给大家带来的“Successful Story”就是一家位于杭州的专业生产“车载充电机(OBC)”和“车载DCDC转换器”的企业——富特科技。
富特科技是国内新能源汽车车载电源产品的主要供应商,截止2018年底,公司累计出货车载电源超48万套。至今,公司已经成为自主品牌东风、北汽、江淮、江铃、东南、广汽、长城、一汽、蔚来、吉利等十余家企业定点供应商,2017年成为外资品牌雷诺日产三菱联盟全球供应商。其车载OBC和车载DCDC转换器均采用了Silicon Labs的隔离栅极驱动器和数字隔离器,比如:Si8235、Si8640、Si8641、Si8621、Si8233等隔离产品。

富特科技的车载OBC和车载DCDC转换器产品
隔离产品在电动汽车(EV)和插电式混合动力电动汽车(PHEV)的OBC及DCDC转换器内有许多用途。EV系统中有许多模块使用隔离,例如:OBC、电池管理系统(BMS)、DC / DC转换器、牵引逆变器和加热/冷却装置。其中车载充电器(OBC)用于将120V或240V AC从墙壁插座或墙壁充电器转换为DC电压,以便为汽车电池充电。隔离产品在OBC中的应用可以参考下方的OBC系统框图。

OBC系统框图
DC-DC转换器用于将直流电压从一个电压域转换为另一个电压域,以便为各种辅助系统供电。这里面需要电流隔离的功能,辅助功率模块(APM)变压器初级侧的高压开关需要隔离栅极驱动器。

DCDC转换器框图
Silicon Labs数字隔离器和隔离栅极驱动器
Silicon Labs是最大的为电动汽车提供隔离产品的供应商。能够提供行业领先的安全性和可靠性,帮助客户及其产品提升效率。在2018年有96个新项目采用了其隔离器产品,还有45个汽车项目已经投入生产。可以说其隔离产品系列已取得成功。
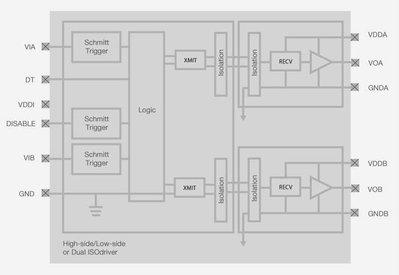
在Silicon Labs隔离器产品的众多成功故事里不得不提的就是富特科技。富特科技的车载OBC和车载DCDC转换器产品中采用了Silicon Labs的Si8235、Si8640、Si8641、Si8621、Si8233等隔离产品。其中Si8233和Si8235是在同一封装中结合了两种独立的隔离式驱动器,形成高侧/低侧驱动器(Si8233)或双驱动器(Si8235)。这些设备具有传统的高侧和低侧数据输入或 PWM 输入控制接口。Silicon Labs所有的隔离驱动器都提供超快的传输延迟,具有更好的时序余量、绝对可靠的的工作温度和时间以及无以伦比的规模和成本效益。1、2.5、3.75 和 5.0 kV 的隔离额定值都可用。驱动器间耐受电压为±1500 VDC,而且驱动器可以连接到相同或独立的地线进行接地,或者连接到浮动电压。

Silicon Labs隔离栅极驱动器框图
另外的Si8621/31/41是Silicon Labs的数字隔离器。Silicon Labs的超低功耗数字隔离器系列是能够提供一到六个通道的 CMOS 设备。可选购适合 I2C 应用的双向功能产品。这些产品的操作参数在广泛的温度范围内保持不变,并贯穿整个设备使用年限,便于设计和高度统一性能。所有设备版本均具有施密特触发器输入,供高抗扰性,且只需要 VDD 旁路电容器。支持最高 150 Mbps 的数据传输率,并且所有设备最多只会产生不足 13 ns 的传输迟延。订购选件时可选择隔离额定值 (2.5、3.75 和 5 kV) 以及可选配的故障保护操作模式,在掉电时控制默认输出状态。所有产品均获得 UL、CSA、VDE 和 CQC 安全认证,并且采用宽体封装的产品支持用于承受高达 2.5 kVRMS 或1 kVRMS的增强型隔离。

Silicon Labs数字隔离器产品框图
车载充电机将迎更大的市场规模
据市场机构调研数据,2018年全球电动汽车车载OBC和DCDC市场规模约70亿元,未来几年随着新能源汽车产量的逐年提升,预计到2030年全球电动汽车车载OBC和DCDC市场规模将达到1000亿元。Silicon Labs的隔离器产品以及其代理商益登科技将努力协助新能源汽车产业相关客户一起去迎接这样的产业辉煌。
富特科技是国内新能源汽车车载电源产品的主要供应商,截止2018年底,公司累计出货车载电源超48万套。至今,公司已经成为自主品牌东风、北汽、江淮、江铃、东南、广汽、长城、一汽、蔚来、吉利等十余家企业定点供应商,2017年成为外资品牌雷诺日产三菱联盟全球供应商。其车载OBC和车载DCDC转换器均采用了Silicon Labs的隔离栅极驱动器和数字隔离器,比如:Si8235、Si8640、Si8641、Si8621、Si8233等隔离产品。

富特科技的车载OBC和车载DCDC转换器产品
隔离产品在电动汽车(EV)和插电式混合动力电动汽车(PHEV)的OBC及DCDC转换器内有许多用途。EV系统中有许多模块使用隔离,例如:OBC、电池管理系统(BMS)、DC / DC转换器、牵引逆变器和加热/冷却装置。其中车载充电器(OBC)用于将120V或240V AC从墙壁插座或墙壁充电器转换为DC电压,以便为汽车电池充电。隔离产品在OBC中的应用可以参考下方的OBC系统框图。

OBC系统框图
DC-DC转换器用于将直流电压从一个电压域转换为另一个电压域,以便为各种辅助系统供电。这里面需要电流隔离的功能,辅助功率模块(APM)变压器初级侧的高压开关需要隔离栅极驱动器。

DCDC转换器框图
Silicon Labs数字隔离器和隔离栅极驱动器
Silicon Labs是最大的为电动汽车提供隔离产品的供应商。能够提供行业领先的安全性和可靠性,帮助客户及其产品提升效率。在2018年有96个新项目采用了其隔离器产品,还有45个汽车项目已经投入生产。可以说其隔离产品系列已取得成功。
在Silicon Labs隔离器产品的众多成功故事里不得不提的就是富特科技。富特科技的车载OBC和车载DCDC转换器产品中采用了Silicon Labs的Si8235、Si8640、Si8641、Si8621、Si8233等隔离产品。其中Si8233和Si8235是在同一封装中结合了两种独立的隔离式驱动器,形成高侧/低侧驱动器(Si8233)或双驱动器(Si8235)。这些设备具有传统的高侧和低侧数据输入或 PWM 输入控制接口。Silicon Labs所有的隔离驱动器都提供超快的传输延迟,具有更好的时序余量、绝对可靠的的工作温度和时间以及无以伦比的规模和成本效益。1、2.5、3.75 和 5.0 kV 的隔离额定值都可用。驱动器间耐受电压为±1500 VDC,而且驱动器可以连接到相同或独立的地线进行接地,或者连接到浮动电压。

Silicon Labs隔离栅极驱动器框图
另外的Si8621/31/41是Silicon Labs的数字隔离器。Silicon Labs的超低功耗数字隔离器系列是能够提供一到六个通道的 CMOS 设备。可选购适合 I2C 应用的双向功能产品。这些产品的操作参数在广泛的温度范围内保持不变,并贯穿整个设备使用年限,便于设计和高度统一性能。所有设备版本均具有施密特触发器输入,供高抗扰性,且只需要 VDD 旁路电容器。支持最高 150 Mbps 的数据传输率,并且所有设备最多只会产生不足 13 ns 的传输迟延。订购选件时可选择隔离额定值 (2.5、3.75 和 5 kV) 以及可选配的故障保护操作模式,在掉电时控制默认输出状态。所有产品均获得 UL、CSA、VDE 和 CQC 安全认证,并且采用宽体封装的产品支持用于承受高达 2.5 kVRMS 或1 kVRMS的增强型隔离。

Silicon Labs数字隔离器产品框图
车载充电机将迎更大的市场规模
据市场机构调研数据,2018年全球电动汽车车载OBC和DCDC市场规模约70亿元,未来几年随着新能源汽车产量的逐年提升,预计到2030年全球电动汽车车载OBC和DCDC市场规模将达到1000亿元。Silicon Labs的隔离器产品以及其代理商益登科技将努力协助新能源汽车产业相关客户一起去迎接这样的产业辉煌。


