订阅电子报,掌握最新科技与产业趋势
Monolithic Power Systems
MPC22167-130 | Two-Phase Intelli-Module
MPC22167-130
采用 Quiet Switcher 技术的 130A 两相 Intelli-Module

详情
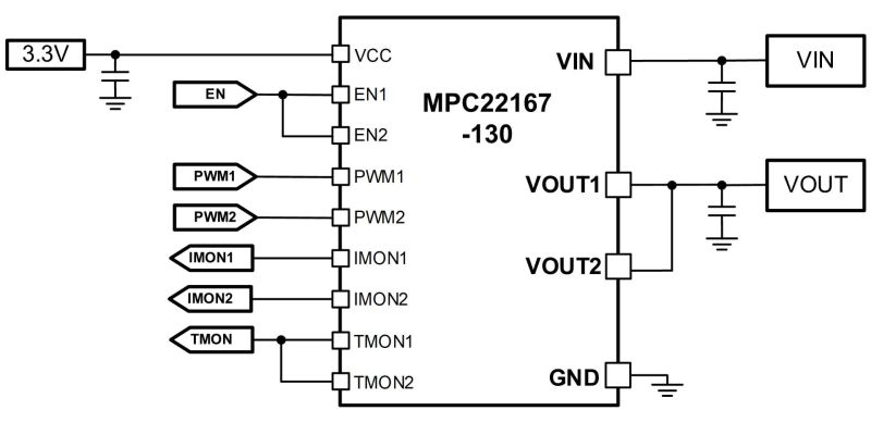
MPC22167-130 是一款两相、非隔离式、高效率降压电源模块。它集成了 MOSFET 驱动器和电感,不仅效率高而且占位面积小,非常适合服务器应用。MPC22167-130 提供两个独立的输出,可以单独使用,也可并联使用。它可在宽输入电压 (VIN) 范围内实现高达 130A(65A/相)的输出电流 (IOUT)。
MPC22167-130 提供多种功能来简化系统设计,并且可与具有三态脉宽调制 (PWM) 信号的控制器配合使用。该器件还支持精确的电流采样功能以监控电感电流 (IL),同时支持温度采样以报告结温 (TJ)。
MPC22167-130 采用 LGA-72 (9mmx9.9mmx7.65mm) 封装。
产品特性和优势
- 采用 Quiet SwitcherTM 技术 (QST) 以限制峰值开关电压
- 4V 至 16V 的输入电压 (VIN) 范围
- 高达 130A 的连续输出电流 (IOUT)
- Accu-SenseTM 电流采样技术
- 温度采样
- 可接受三态脉宽调制 (PWM) 信号
- 限流保护
- 过温保护 (OTP)
- 故障报告
- 采用 LGA-72 (9mmx9.9mmx7.65mm) 封装
- 典型重量:3.5g
*MPS Authorized Distributor


